+86-0523-83274900
স্টোরজ লকিং থ্রেডেড কাপলিং

স্টোরজ লকিং থ্রেডেড কাপলিং

স্টোরজ লকিং থ্রেডযুক্ত কাপলিং স্টোরজ কাপলিং সিরিজের অন্তর্গত, একটি প্রান্তে একটি বৈশিষ্ট্যযুক্ত অভ্যন্তরীণ বা বাহ্যিক থ্রেড এবং অন্য প্রান্তে একটি স্টোরজ লকিং কাপলিং।
এই কাপলিং ব্যবহৃত হয় আগুনের পায়ের পাতার মোজাবিশেষ এবং দমকল সরঞ্জামের সরঞ্জামগুলি সংযুক্ত করুন (যেমন ফায়ার পাম্প, ফায়ার পায়ের পাতার মোজাবিশেষ এবং ফায়ার হাইড্র্যান্ট)।
এই সিরিজটি মূলত বড় আকারে উপলভ্য, যখন অনুরোধের ভিত্তিতে ছোট আকারগুলি কাস্টমাইজ করা যায়

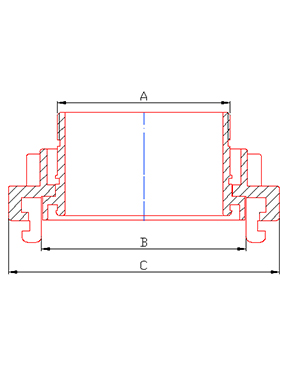
মাত্রা সংস্থান

আইটেম নং।

দিন/মিমি

ডায়া

এ/মিমি

খ/মিমি

সি/মিমি

/

100

4 "

এম 100*3

115

156

125

5 "

এম 125*3

148

196

150

6

এম 145*3

160

215

200

8 "

এম 200*4

220

280

250

10 "

এম 255*4

278

339

300 (3 তম)

12 "

এম 290*4

316

384

350

14 "

এম 350*4

336

448

* অনুরোধের ভিত্তিতে উপকরণ এবং উত্পাদন প্রক্রিয়াগুলি কাস্টমাইজ করা যেতে পারে।
* অন্যান্য প্রয়োজনীয়তা (যেমন কাজের চাপ, ফেটে চাপ ইত্যাদি) প্রয়োজন অনুসারে কাস্টমাইজ করাও হতে পারে

সম্পর্কিত পণ্য
জিয়াংসু জিন্দিং ফায়ার প্রোটেকশন টেকনোলজি কোং, লিমিটেড
জিয়াং সু জিংহুয়া অর্থনৈতিক উন্নয়ন অঞ্চলে অবস্থিত জিয়াংসু জিন্ডিং ফায়ার প্রোটেকশন টেকনোলজি কোং, লিমিটেড 1998 সালে প্রতিষ্ঠিত হয়েছিল। এটি একটি শিল্প সংস্থা যা নকশা, উন্নয়ন, উত্পাদন এবং বিক্রয়কে সংহত করে। সংস্থাটি আইএসও 9001: 2015 কোয়ালিটি সিস্টেম শংসাপত্র এবং পণ্য স্বেচ্ছাসেবী শংসাপত্র পাস করেছে এবং সম্পর্কিত পণ্যগুলি জাতীয় ফায়ার সরঞ্জাম মানের তদারকি ও পরিদর্শন কেন্দ্রের পরিদর্শন প্রতিবেদন পেয়েছে।
আমরা মূলত অগ্নিনির্বাপক কাপলিং, জলের নোজেল, অগ্নিনির্বাপক হাইড্র্যান্ট, বৃহৎ ব্যাসের পাইপ কাপলিং এবং তেলক্ষেত্রের জল সরবরাহ কাপলিং সহ বেশ কয়েকটি সিরিজের পণ্য তৈরি করি। এই পণ্যগুলি অগ্নি সুরক্ষা, পেট্রোলিয়াম, রাসায়নিক, সামরিক এবং অন্যান্য শিল্পে ব্যাপকভাবে ব্যবহৃত হয়।.
সংস্থার ভাল স্বাধীন গবেষণা ও উন্নয়ন ক্ষমতা রয়েছে এবং এতে ছাঁচ উত্পাদন, উত্পাদন প্রক্রিয়াকরণ এবং পণ্য পরীক্ষার মতো উত্পাদন প্রক্রিয়াগুলির একটি সম্পূর্ণ সেট রয়েছে। একই সময়ে, এন্টারপ্রাইজ গ্রাহকদের প্রয়োজনীয়তার জন্য গুরুত্ব দেয়, সময়োপযোগী বাজারের গতিশীলতাগুলি গ্রাস করে, ক্রমাগত নতুন পণ্য বিকাশ করে এবং উত্পাদন করে এবং নতুন এবং পুরানো গ্রাহকদের বিশ্বাস এবং প্রশংসা জিততে পারে।
কোম্পানি নির্ভরযোগ্য সরবরাহ করে স্টোরজ লকিং থ্রেডেড কাপলিং এবং পেশাদার পরিষেবাগুলি মানসম্পন্ন প্রতিশ্রুতি এবং সহযোগিতামূলক অংশীদারিত্বের উপর ভিত্তি করে, ক্লায়েন্টদের সাথে টেকসই সহযোগিতামূলক সম্পর্ক গড়ে তোলার জন্য প্রচেষ্টা করে.
27+

শিল্পের 27 বছর উত্পাদন অভিজ্ঞতা

শংসাপত্র
খবর
আসুন একটি কথোপকথন করা যাক
শুধু হ্যালো বলুন এবং আমরা একটি কার্যকর সহযোগিতা শুরু করব। আপনার নিজের সাফল্যের গল্প শুরু করুন।
আপনার ব্যবসায়ের জন্য সরঞ্জাম প্রয়োজন?
আমাদের দল আপনাকে কাস্টম সমাধান সরবরাহ করতে দিন।